TubeOhm Instruments

mail: kontakt@tubeohm.com

Home
  • DIY hardware
  • Software VST Synthesizer
  • Forum
  • Contact
  • Impressum

NEW DEVELOPEMENT

Walker sound design edition PCB for Shruthi XT with  SMR4-MK2 filterboard

These are the original circuits.

Now it was very difficult to get suitable rotary or slide switches to install them in a Shruthi XT.

Therefore electronic switches were used.

 

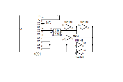
In the first circuit you can see how the input stage is overdriven and the first filter pole is manipulated

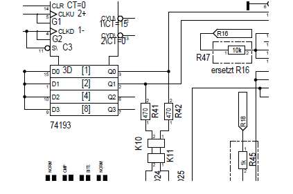
The second circut is a feedback loop which, however, is fedback from the third filter pole. The result is more bass

In the third circuit, the resonance in the low frequencies is thinned out or switchably limited. However, there is a flaw in this circuit. There should be a 470 Ohm resistor in front of the 10 Kohm resistor.  Both diodes BAT05 should be connected behind the 470 Ohm resistor.

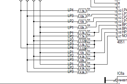
The respective filter poles are connected via the resistor matrix.  We have also added a 6dB  and 18 dB  filter. 

We have now developed a circuit board for these three circuits.

 

1) eight filter types   24,18,12,6 dB LP, 2xBP, 18 dB HP , Notch 

2) eight distortion modes

3) feedback  from filterpole 3

 

Distortion and filter types are each switched via 2 buttons. One for ' next mode ' the second for previous mode . 

 

Only the 'Res compensation' is only switched via one button. 

Shapes  - distortions

Flavors  filter types

Resonance feedback

PCB

As you can see in the pictures, the circuit board is designed for a Shruthi XT.  In principle, this board also runs with the SMR4-MK2 in a normal Shruthi.

If you are interested, the board can be ordered empty or fully assembled via TubeOhm. 

 

Do you have any questions about this project? Please contact me directly at kontakt@tubeohm.com

TubeOhm Wavebooster WB-03

Der TubeOhm WAVEBOOSTER WB-03 kommt:

Was ist denn eigentlich  der Wavebooster  WB-03 ??

Es handelt sich um ein Klangregelnetzwerk mit getrennter Bass , Mitten und Höhenanhebung/Absenkung.

Bei der Analyse z.B. des  J 106 Synthesizers  hatte ich festgestellt , das  allein  der Sägezahn schon einen größeren Bass Anteil hatte als ein normaler Sägezahn.  Diesen Effekt  wollte ich gerne auf meine Oszillatoren übertragen.  

Bass +/- 22 dB

Mitten +/- 22dB

Höhen +/- 16 dB 

Somit lässt sich wunderbar  schon vor dem Filter der Sound des Oszillators verändern.  Etwas mehr Bass bringt sofort mehr Wärme in das Signal . Es ist aber auch möglich  das Signal  in den Mitten auszudünnen   oder nur die Mitten/Höhen zu betonen .

Natürlich lässt sich das Signal auch Verzerren. Dieses wird durch eine LED angezeigt . Das bringt dann noch mal extra Obertöne .

Alles in allem  kann man  den WB-03  entweder  benutzen , um einzelne Signale aufzupeppen , oder  2 Stück als stereo  Klangregelung  in die Summe legen .

 

DIY information : Der WB-03 ist als Bausatz  erhältlich und sehr einfach aufzubauen.

The TubeOhm WAVEBOOSTER  WB-03 COMES :  

Status 100 % ready . I must only sort the kits 

What is actually the Wavebooster WB-03 ?

It is a sound control network with separate bass, midrange and treble up/down.

During the analysis of the J 106 synthesizer, for example, I found out that the sawtooth alone already had a larger bass share than a normal sawtooth.  I wanted to transfer this effect to my oscillators.  

bass +/- 22 dB

Middles +/- 22dB

Treble +/- 16 dB 

 This makes it possible to change the sound of the oscillator even before the filter.  A little more bass immediately brings more warmth to the signal. But it is also possible to thin the signal in the midrange or just emphasize the mid/high frequencies.

 Of course the signal can also be distorted. This is indicated by an LED. This brings extra overtones.

All in all you can use the WB-03 either to pep up single signals or to add 2 pieces as stereo equalization to the sum.

 

DIY information : The WB-03 is available as a kit and is very easy to assemble.

Eurorack dual Oscillator in works

Shop Service

 Hotline

 Information

national:02368 57164

Contact
About us

international:0049 2368 57164

FAQ
AGB
Datenschutz
Widerrufsrecht